联系我们

联系人: 蔚经理 13932089045
              苑经理 13785013083
              任经理 13131037801
电话:0310-8748008     8748999   
地址:河北省邯郸市馆陶县新型化工园区昊阳大道

新闻中心

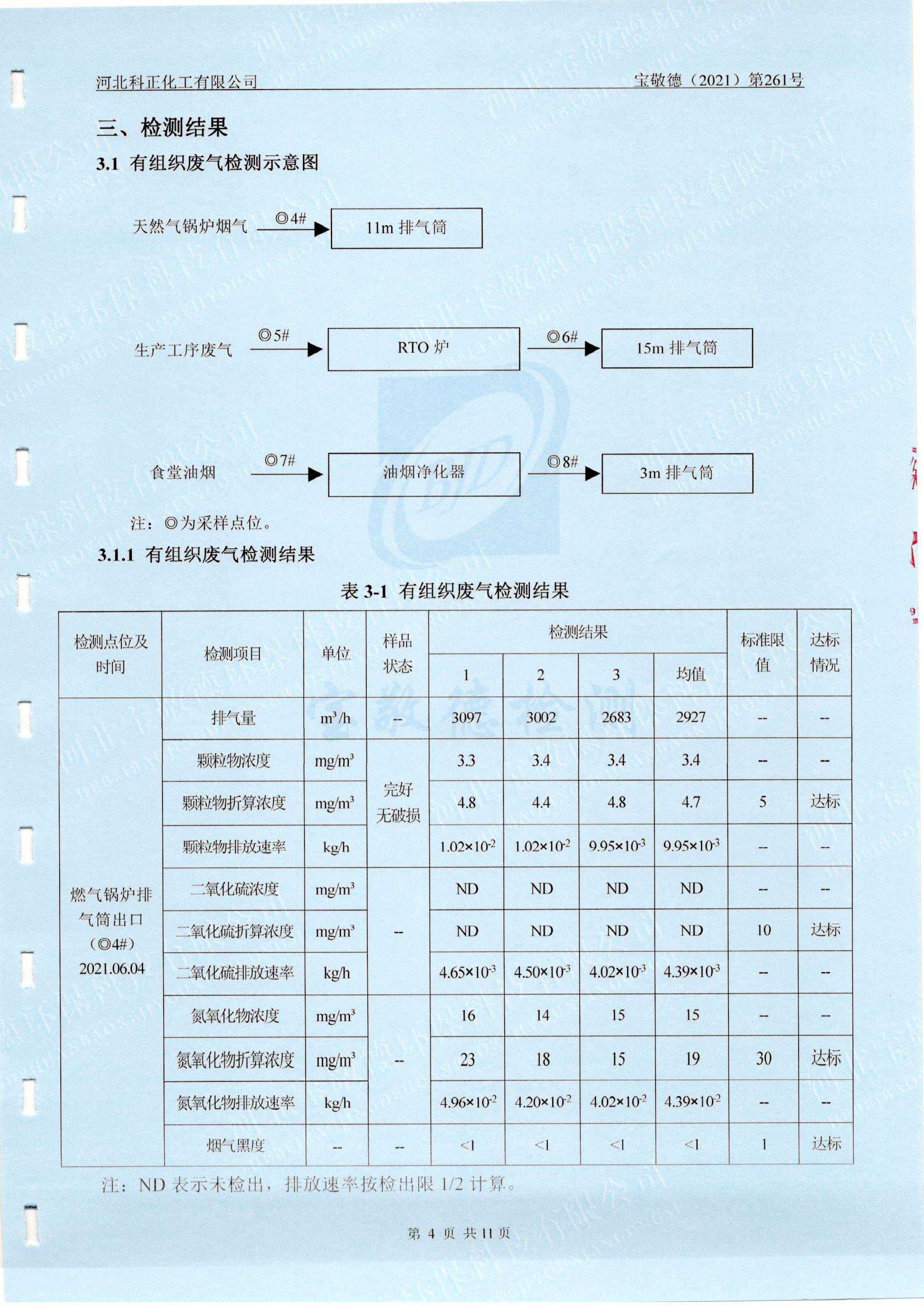
厂区整体检测方案及报告2021.7.4

点击数:30302021-07-12 15:53:36 来源: 河北科正化工有限公司

【责任编辑:(Top) 返回页面顶端

扫描二维码关注科正微信

联系人: 蔚经理 13932089045
              苑经理 13785013083
              任经理 13131037801
电话:0310-8748008     8748999   
地址:河北省邯郸市馆陶县新型化工园区昊阳大道

版权所有:河北科正化工有限公司|稀醋酸,醋酸钠厂家  冀ICP备13019397号